Worm drive
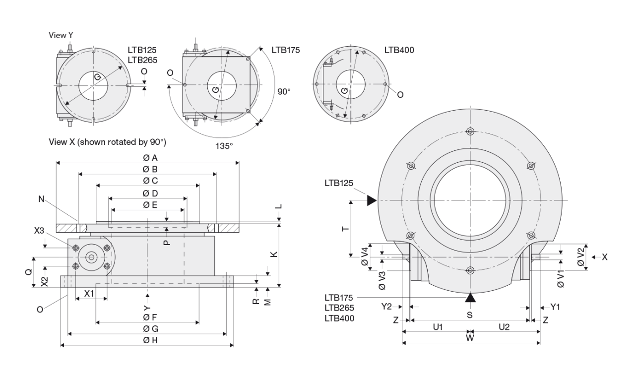
Rotary table type LTB
91042A
| Unit price: | -,- EUR | |
| Price | -,- EUR |
Material
Housing: Aluminium ribbed
Ball race rings: hardened and tempered chrome-silicon steel
Rolling element: hardened rolling bearing steel
Worm wheel: Wear-resistant bronze alloy
Worm shaft: CK45N hardened and grinded
Operating temperature -10 °C to +80 °C
Mounting position Any, preferably horizontal
Lubricant With bearing grease via grease nipples
Options Inductive proximity switch, flange/coupling to mount the motor, motorization
| Accuracy | |
| Speed | |
| Ø-Range | |
| Price |
My contacts for this product
Your local contact
Franke GmbH
Obere Bahnstraße 64
D-73431 Aalen
Tel.: +49 7361 9200
vertrieb@franke-gmbh.de

Let us advise you!
From a Franke expert via video-chat, at your site or at our premises.