Bearing with profiled raceways
Ball bearing type LER
610704
Description
Material
Ball race rings: hardened and tempered chrome-silicon steel
Rolling element: hardened rolling bearing steel
Cage: polyamide or thermoplastic polyurethane
Operating temperature -30 °C to +80 °C, short-term up to +100 °C
Peripheral speed Max. 5 m/s, without seal max. 10 m/s
Lubricant Shell Gadus S3 V220 C2
| Smooth running | |
| Accuracy | |
| Speed | |
| Stiffness | |
| Assembly | |
| Price |
Now new in minimum size:
the Franke LER 1.5
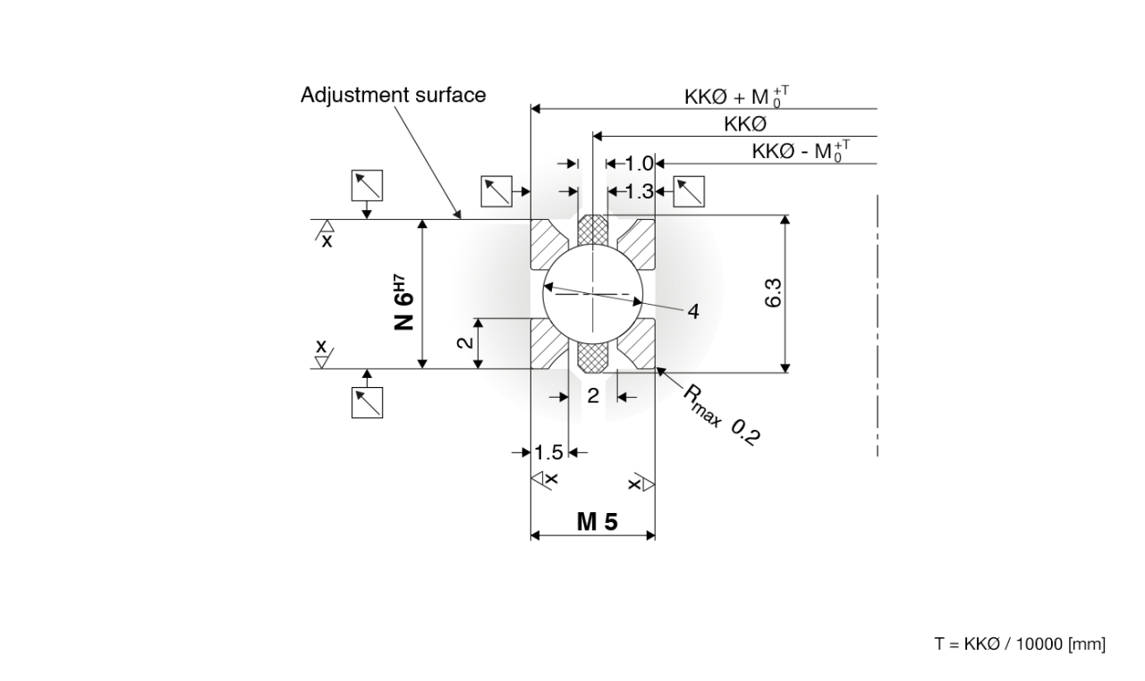
Basic data
- Installation space 5 x 6 mm
- KKØ: 40 - 150 mm
The advantages
- Minimal installation space
- Minimal weight
- Adjustable preload
- Cheap price
- Free from clearance
- High resilience
- Rectangular profile for minor
manufacturing and assembly costs
compact
light
adjustable preload
low costs
Minimal installation space, minimal price
In the course of general miniaturization, Franke developed the LER 1.5 bearing element. In the competitive field of small, compact and lightweight bearings, the Franke LER 1.5 is the most space-saving. In contrast to a thin section bearing or a plastic plain bearing, the preload on the LER 1.5 can also be adjusted - precisely according to the criteria of the application. The LER 1.5 not only impresses with its special performance, but also with its particularly attractive price.

rectangular wire profile
Advantage of rectangular profile
Like all bearings of the LER type, the LER 1.5 has running wires made of rectangular profile wire. Therefore, the wire bed can also be made at right angles here. This is particularly helpful in the miniature area and considerably reduces the cost of manufacturing the housing parts. In addition, the rectangular profile improves rigidity and makes assembly easier.

Fields of application
The LER 1.5 is particularly suitable for ultra-compact applications such as in sensitive robots for human-robot collaboration (HRC), in machine exoskeletons or in medical applications. With its small installation space, the new LER 1.5 ideally meets the trend towards miniaturization in the handling and automation area. Small turntables, grippers or manipulators can be moved precisely and with a high load capacity.
Design examples
My contacts for this product
Your local contact
Franke GmbH
Obere Bahnstraße 64
D-73431 Aalen
Tel.: +49 7361 9200
vertrieb@franke-gmbh.de

Let us advise you!
From a Franke expert via video-chat, at your site or at our premises.


